Aufnahmestücke 90° versetzt Multimar 844 Tms

Artikelnummer: 4503041
Paar

Produktpreis
555,00 €

Anwendung
  • Messen von Außen- und Innenmaßen mit seitlich angeordneten Messtastern
  • in Planeinstichen
  • in Bohrungen mit zentrischer Nabe
  • in Bohrungen mit eingefahrener Bohrstange
Produkteigenschaften
  • Für Außen- und Innendurchmesser
  • Aus rostfreiem Stahl
  • Messarme auf Messarmträger zur Erweiterung des Messbereiches umdrehbar
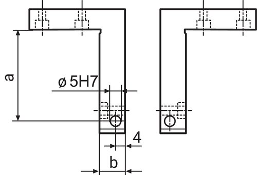
  • Mit Aufnahme-ø 5 mm zum Einsetzen auswechselbarer Messeinsätze 844 Ta, 844 Ti, 844 Tb, 844 Tc, 844 Td, 844 Tz und 844 Tv
Multimar 844 Tms | Art.-Nr. 4503041
dimensionPicture